550N
高負載 完全行程滾珠滑軌
滑軌長度:300~660mm
滑軌荷重:100kg
55mm標準重型滑軌
序列機構設計,提高滑軌荷重能力
高負載 完全行程滾珠滑軌
滑軌長度:300~660mm
滑軌荷重:100kg
55mm標準重型滑軌
序列機構設計,提高滑軌荷重能力
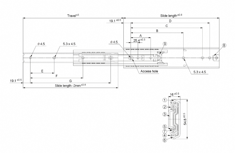
| Part number |
Slide length |
Travel | Mounting hole (mm) ±0.3 mm | Load capacity (N/pair) |
Product weight (kg/piece) |
Quantity in package (pieces) |
||||||
| (mm) | (mm) | A | B | C | D | E | F | G | ||||
| 12 | 304.8 | 330 | 76.2 | 190.5 | 241.3 | 260.3 | 76.2 | 177.8 | 258.3 | 706 | 0.84 | 15 |
| 14 | 355.6 | 381 | 88.9 | 215.9 | 292.1 | 311.1 | 101.6 | 203.6 | 309.1 | 755 | 0.99 | 15 |
| 16 | 406.4 | 432 | 127.0 | 241.3 | 342.9 | 361.9 | 127.0 | 228.6 | 359.9 | 814 | 1.13 | 15 |
| 18 | 457.2 | 483 | 127.0 | 292.1 | 393.7 | 412.7 | 127.0 | 279.4 | 410.7 | 592 | 1.28 | 15 |
| 20 | 508.0 | 533 | 152.4 | 317.5 | 444.5 | 463.5 | 152.4 | 304.8 | 461.5 | 961 | 1.43 | 15 |
| 22 | 558.8 | 584 | 177.8 | 342.9 | 495.3 | 514.3 | 177.8 | 330.2 | 512.3 | 981 | 1.58 | 15 |
| 24 | 609.6 | 635 | 177.8 | 393.7 | 546.1 | 565.1 | 177.8 | 381.0 | 563.1 | 961 | 1.73 | 15 |
| 26 | 660.4 | 686 | 203.2 | 419.1 | 596.9 | 615.9 | 203.2 | 406.4 | 613.9 | 961 | 1.88 | 15 |